

















Tažné zařízení s odnímatelným bajonetových systémem proautomobil KIA - typ: SORENTO, typ karoserie: 5 dvéřová. Rok výroby automobilu: od 2002 do 2006.
Príslušenstvo k tomuto ťažnému zariadeniu
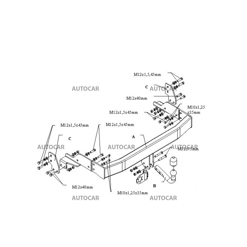
Bajonetový systém od firmy AUTO-HAK vám zaručí rychlou a jednoduchou demontáž/montáž tažného zařízení, bez použití nářadí.
Tato střední cenová kategorie tažného zařízení je ideální varianta, v případě pokud vám nevyhovuje šroubové tažné zařízení. Ať už je to z důvodu zasahování háku (koule) do evidenčního číslo nebo z estetického hlediska. A naopak vertikální bajonetový systém vám přijde zbytečný, případně dražší.
Po demontáži tažného zařízení (háku) vám pod nárazníkem zůstane viditelný korpus, který vám může snížit světlou výšku podvozku (záleží podle nárazníku vozidla).
Montáž automatického tažného zařízení Autocar
Demontáž automatického tažného zařízení Autocar