

























Tažné zařízení se šroubovým systémem pro automobil CHEVROLET - typ: CAPTIVA, typ karoserie: SUV,(C100). Rok výroby automobilu: od 2006 do 2013.
Príslušenstvo k tomuto ťažnému zariadeniu
Tažné zařízení od firmy AUTO-HAK je díky spojení výborné kvality a ceny vyhledávaným výrobkem na českém trhu.
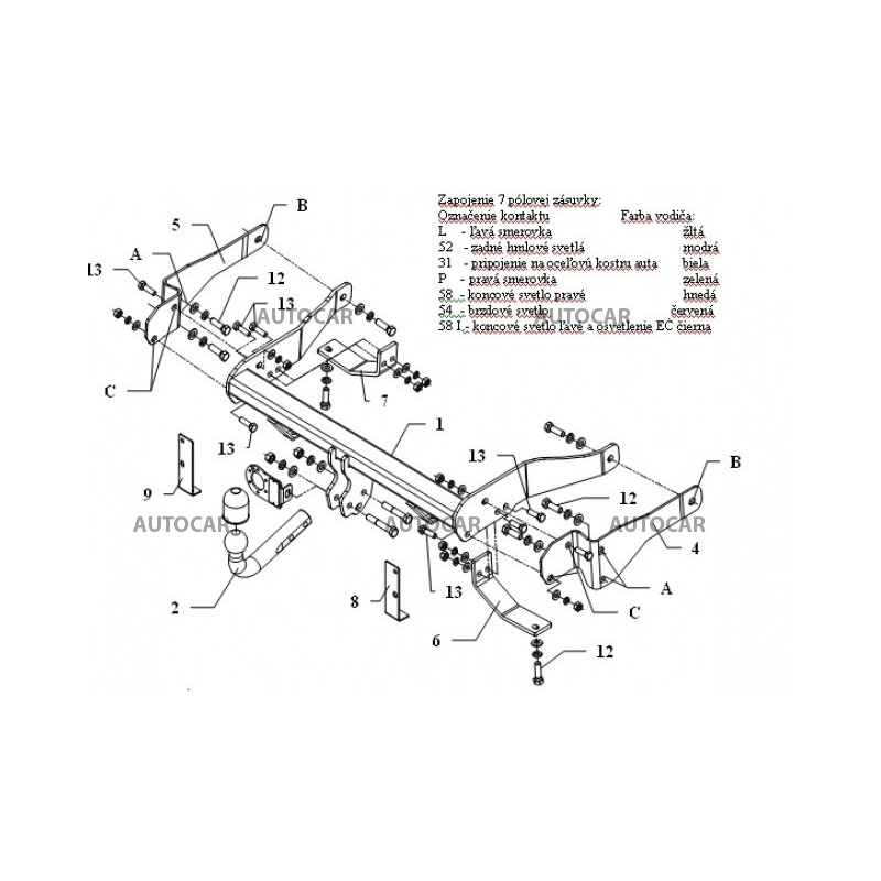
šroubové tažné zařízení je upnuté pomocí dvou šroubů k tělu tažného zařízení a jeho hlavní výhodou je příznivá cena.
Na území České Republiky je možné montovat šroubové tažné zařízení jen v případě, že hák (koule) nezasahuje do evidenčního číslo vozidla. Hák (koule) může ovlivnit fungování parkovacích senzorů. Pokud je koule v detekční oblasti, může být při couvání rozpoznána jako překážka. Pokud je vozidlo vybaveno parkovacími senzory, doporučujeme namontovat odnímatelné tažné zařízení.
Je nutná speciální elektroinstalace (není v ceně tažného zařízení).
Podrobnější informace o tažném zařízení
Montáž šroubového tažného zařízení Autocar
Demontáž šroubového tažného zařízení Autocar